资讯中心

资讯中心
资讯中心
  • 丝印使用过程的注意要点
    01 面板层装饰油墨及印刷技巧 1.供面板用油墨属溶剂挥发型油墨,这方面的油墨品种很多、但应从油墨细度、色相纯正、遮盖力强、与基材PET结合牢靠等方面考虑。 2.面板印刷是以反字、反图纹印刷在PET的光面上。 3.按溶剂挥发油墨的要求操作,比如印前油墨需充分搅拌、调整好粘度和调配好颜色等。 4.对套色印刷应遵守先深色后浅色,浅色色块印刷尽可能印两次,保证其遮盖性,使墨色饱和...
    2023-01-11 17:40:24
  • 丝网印刷过程中的问题分析及解决方法
    在大批量的网版印刷生产过程中,如果某个具体环节稍不留意,就会给生产带来一连串的麻烦,而且这种状况一天不解决,就会一直困扰着生产。 这里主要就生产中经常遇到而又极易忽视的几个问题进行论述。 —、丝网的颜色   丝网的颜色有白、黄、琥珀色、红色等,其中以黄色丝网为佳。我们生产中常用日本或德国进口的270~280T的黄色丝网,对于特别精致的印刷品,我们常用350T的进口黄色丝网。   为什么要用黄...
    2023-01-11 17:39:08
  • 激光焊接机焊接工艺介绍
    金属激光焊接已经从不同的钢扩展到有色金属和合金等多种材料的焊接,特别是镁铝合金、钛铝合金和镍基高温合金的激光焊接,并获得了一定的深度和强度。不同金属激光焊接溶池的形成和演变过程。从数值模拟和实验两个方面深入分析了焊接热原模型、勺孔模型、温度场和溶解池的流动,详细分析了热裂纹、有害相和气孔的产生机理,并从工艺角度控制残余应力。 金色材质激光焊接机焊接工艺介绍 激光焊接机焊接不同金属材料焊接工艺: ...
    2023-01-10 17:43:59
  • 包装盒印刷工艺有哪些
    市场上销量高的产品,往往都有精美的包装盒,有助于提高产品竞争力。好看高端的包装盒是要经过多道工序制作而成的,那么,包装盒印刷工艺有哪些?高清喷绘:520喷绘布,550喷绘布,网格布,刀刮布,彩喷条幅,油画布。 室内外写真 :PP背胶,无胶PP、KT板/裱冷板/泡沫板,黑车贴/白车贴,透明车贴,反光贴,单孔透,PVC灯片,PVC海报 各种门头字 :水晶字,亚克力字,P...
    2023-01-10 17:27:02
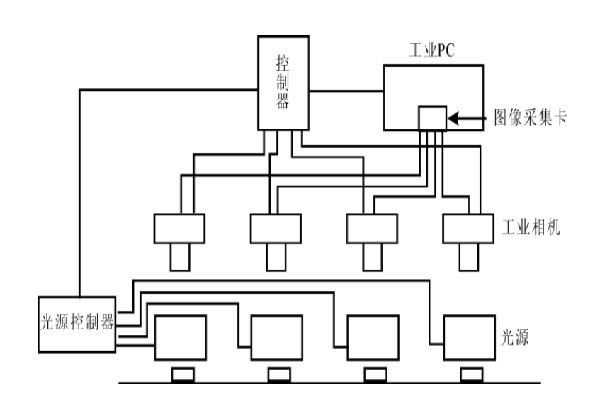
  • 纽扣电池表面缺陷检测的解决方法
    电池作为需求量极大的产品,其质量高低在生产环节中具有重要意义。手机电池、硅太阳能电池、电池极片等均有视觉检测研究文献报道,但对扣式电池开展自动质量检测的报道极少。 扣式电池体积小,外观直径一般不超过两三厘米,在各种电子产品特别是微小型产品中得到了广泛的应用,如电子词典、计算器、助听器、电子手表、主板等。 人工检测电池不但效率低下,而且电池表面为金属制成,反光严重,长期的人眼检测有损视力健康。因此机器视觉检测技术的研究,将有...
    2023-01-09 17:18:55
  • OCR字符检测在食品瓶盖上的应用
    随着生活水平不断提高,食品品质和安全已成为社会关注的焦点。人们对食品生产的要求变的越来越高,生产日期是我们评估食品安全与否的一个重要标准,因此,保证生产日期等相关信息正确清晰的标注是食品生产过程中的一个重要环节。利用 机器视觉 技术进行瓶盖字符采集检测具有非常广阔的市场需求。 机器视觉 食品瓶盖字符检测 检测产品图片 利用OCR字符检测系统检测瓶盖侧边...
    2023-01-09 17:04:05
1 ··· 198 199 200 ··· 315
客服电话
  • 0755-23712116
  • 13310869691