产品应用信息
新闻详情

伟德国际唯一官网入口CH系列GigE工业相机

发布时间:2020-10-13 09:01:07 浏览次数:3659

产品介绍

千兆以太网面阵工业相机,它采用高性能的感光芯片,通过GigE数据接口进行图像数据的传输,可以和任何满足GigE Vision和GenICam标准的应用开发工具兼容,最大1Gb/s的传输速率可以满足大多数工业应用中的对传输速率的要求,能稳定工作在各种恶劣的环境中,是一款高可靠性、高性价比的面阵工业相机。

 

 

产品特点

安装简单,操作方便,支持:

 

? 千兆以太网接口最大传输距离可到100m。

 

? 128MB板载缓存用于突发模式下数据传输或图像重传。

 

? 支持软件触发/硬件触发/软硬混合触发/自由运行等多种模式。

 

? 支持锐度,降噪,伽马校正,查找表,黑电平校正,亮度,对比度等ISP功能。

 

? 彩色相机支持插值,白平衡,颜色转换矩阵,色度,饱和度等。

 

? 支持多种图像数据格式输出,ROI,Bining,镜像等。

 

? 符合GigE VisionV2.0协议和GeniCam标准。

 

? 支持PoE供电,DC12V供电。

 

? 符合CE,FCC,UL,RoHS认证。

 

产品规格

 

 

光谱曲线

 

SY-GEM030M-300-G-H 

SY-GEM120C-30-G-H

 

SY-GEM130M-90-G-H 

SY-GEM500M-23-G-H

SY-GEM600M-17-R-H 

SY-GEM1000M-11-R-H

 

SY-GEM1200M-9-R-H

SY-GEM2000M-6-R-H

 

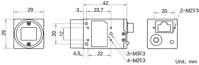
产品尺寸

 

 


产品应用

 

对位贴合

 

在贴合工艺生产过程中,对对位精度有着严格的要求,精度不够很容易会导致贴合失败,从而使物料报废。

 

伟德国际唯一官网入口CH系列工业面阵相机,能够凭借出色的成像质量轻松捕捉被检测物的特征点,能够在对位贴合领域大显身手。

 

半导体AOI高速检测

 

半导体集成电路检测根据工艺可以分为前道检测和后道检测,涉及到薄膜检测、缺陷检测等,十分繁杂。

 

伟德国际唯一官网入口CH系列部分工业面阵相机曝光时间范围覆盖1us-10s,超短曝光模式适用于高速飞拍检测,能够轻易地应对半导体高速检测中的各类检测环节。


客服电话
  • 0755-23712116
  • 13310869691